有源晶振和無源晶振的區(qū)別-看完你就明白了
眾所周知,電子線路中的晶振分為無源晶振和有源晶振兩種類型。那么如何區(qū)分有源晶振和無源晶振呢?晶振廠家應達利帶您一起來看看:
無源晶振又名“無源晶體”、“石英晶體諧振器”,英文名Crystal或Crystal Resonator。有源晶振又稱“石英晶體振蕩器”,英文名Crystal Oscillator。
一、無源晶振
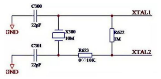
無源晶振一般有兩個引腳,無極性。它自身無法振動,一般外部都接有兩個10-22PF的瓷片電容。

無源晶振參考電路無源晶振信號質量較差,通常需要精確匹配外圍電路(用于信號匹配的電容、電感、電阻等),更換不同頻率的晶體時周邊配置 電路也需要做相應的調整。一般建議采用精度較高的石英晶體。
二、有源晶振
有源晶振有4只引腳,是一個完整的振蕩器,其中除了石英晶體外,還有晶體管和阻容元件,因此體積較大。有源晶振的封裝有4個引腳,分別為VCC (電壓)、GND (地)、OUT (時鐘信號輸出)、NC (空腳)。

有源晶振參考電路有源晶振不需要CPU的內部振蕩器,信號穩(wěn)定,質量較好,且連接方式比較簡單(主要做好電源濾波,通常使用一個電容和電感構成濾波網絡,輸出端用一個小阻值的電阻過濾信號即可) , 不需要復雜的配置電路。
有源晶振和無源晶振的區(qū)別
1、有源晶振比較貴,但是有源晶振自身就能振動。無論無源晶振,還是有源晶振,都有自身的優(yōu)點和缺點所在,若考慮產品成本,建議可以選擇無源晶振電路;若考慮產品性能,建議選擇有源晶振電路,省時方便也能保證產品性能。
2、無源晶振最高精度為5ppm ,而有源晶振的精度則可以達到0.1ppm。精度越高,頻率穩(wěn)定性也更好。有源晶振在穩(wěn)定性上要勝過無源晶振,但也有自身小小的缺陷,有源晶振的信號電平是固定,所以需要選擇好合適輸出電平,靈活性較差。
3、有源晶振一般4個腳,1個電源,1個接地,1個信號輸出端,1個NC(空腳)。有個點標記的為1腳,按逆時針(管腳向下)分別為2、3、4。
4、無源晶振有2個引腳,要借助于外部的時鐘電路(接到主IC內部的振蕩電路)才能產生振蕩信號,自身無法振蕩。